This thread has been locked.

If you have a related question, please click the "Ask a related question" button in the top right corner. The newly created question will be automatically linked to this question.

麻烦ti的工作人员解答一下



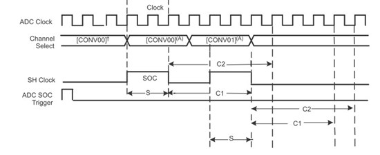
图1

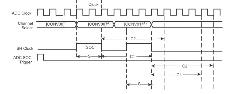
图2

想问一下ti的工作人员 这个epwm的事件管理单元可以发出一个脉冲(EPWMxSOCA)给adc 使之开始转换,

但是手册里面没有说明脉冲的宽度是多少 ,你们能给问问吗?