This thread has been locked.

If you have a related question, please click the "Ask a related question" button in the top right corner. The newly created question will be automatically linked to this question.

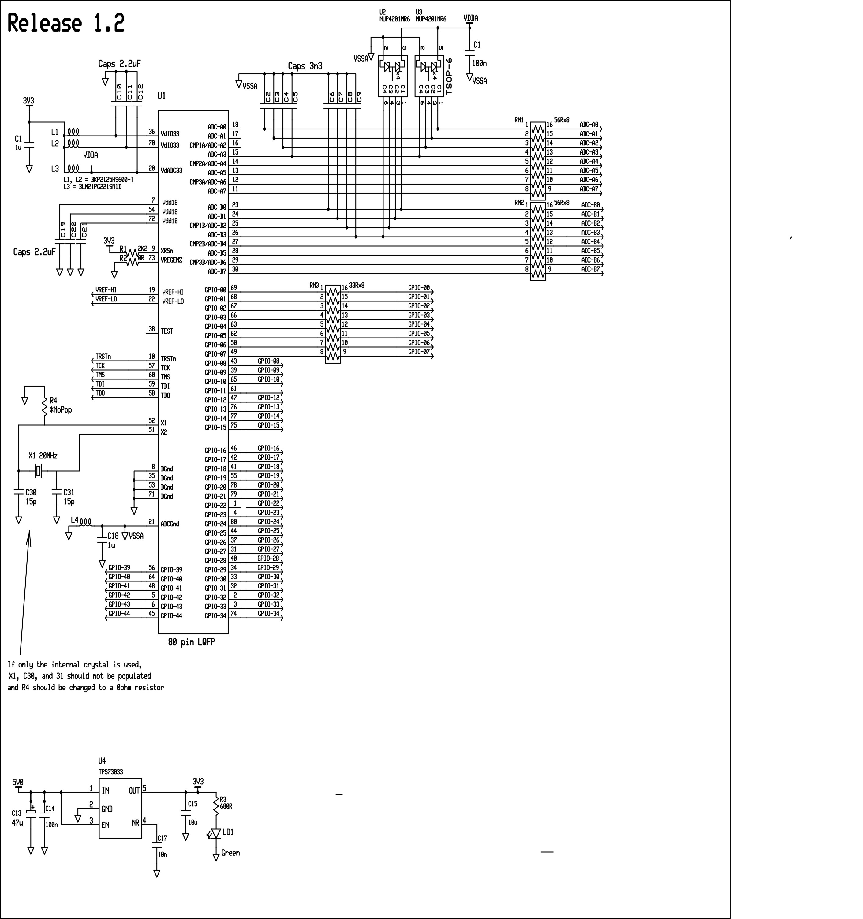
急救



各位朋友好。本人现遇道一个疑难问题,我现在用TMS320F28034PNT的芯片,OUT文件烧写到2012年之前的芯片在目标板上可以运行。但是烧写到2013年之后的芯片上在目标板上就不行。程序也能烧进去就是不能运行,求各位大侠帮个忙这是什么原因