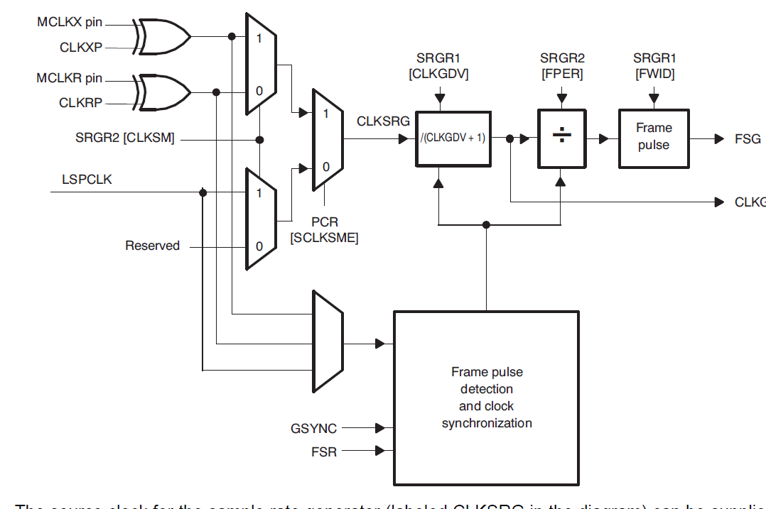
我想将28069作为master,ad作为slave那么我的sclk,和lrck需要通过mfsra和mclkra相连,如图所示,而mfsra和mclksra应该怎么来设置,我找不到设置他们频率的部分
This thread has been locked.
If you have a related question, please click the "Ask a related question" button in the top right corner. The newly created question will be automatically linked to this question.