问题:断掉CAN通讯线M_CANRXA或者M_CANTXA或者隔离芯片Vcom_5V供电,CAN通讯断掉,再重新连接上述断掉的线,CAN通讯无法恢复。请问这时触发的是CAN通讯的何种故障,应该如何处理,有没有编程参考手册?谢谢
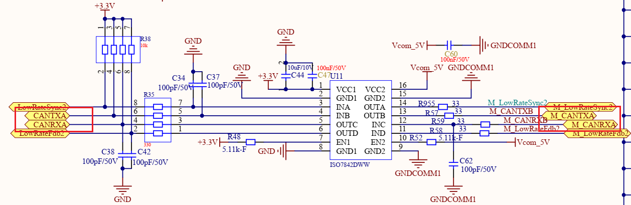
电路如下:



This thread has been locked.
If you have a related question, please click the "Ask a related question" button in the top right corner. The newly created question will be automatically linked to this question.
问题:断掉CAN通讯线M_CANRXA或者M_CANTXA或者隔离芯片Vcom_5V供电,CAN通讯断掉,再重新连接上述断掉的线,CAN通讯无法恢复。请问这时触发的是CAN通讯的何种故障,应该如何处理,有没有编程参考手册?谢谢
电路如下:



问这时触发的是CAN通讯的何种故障
它被称为“bus off”状态。确切的行为由错误计数器确定,如 CAN 规范中所述。
应该如何处理
成熟的总线关闭恢复策略通常定义在用户代码中。例如 AUTOSAR CanSm 模块。
有没有编程参考手册?
请参阅 driverlib 的 can.h 中的函数 CAN_enableAutoBusOn() 和 CAN_setAutoBusOnTime()。