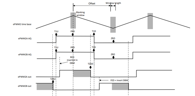
在中断程序中,我想让EPWM1A强制拉高,是应该配置AQSFRC的OTSFA以及ACTSFA还是配置AQCSFRC的CSFA,我不理解一次性与连续的区别,一次性指的是只是生成一个脉冲吗。具体目的只是暂时拉高,在CTR=PRD以及CTR=ZERO事件发生时仍然按照AQCTLA定义来动作。具体像下图展示的一样,在中断中完成T1U或T1D事件拉高或置低EPWM。
This thread has been locked.
If you have a related question, please click the "Ask a related question" button in the top right corner. The newly created question will be automatically linked to this question.
在中断程序中,我想让EPWM1A强制拉高,是应该配置AQSFRC的OTSFA以及ACTSFA还是配置AQCSFRC的CSFA,我不理解一次性与连续的区别,一次性指的是只是生成一个脉冲吗。具体目的只是暂时拉高,在CTR=PRD以及CTR=ZERO事件发生时仍然按照AQCTLA定义来动作。具体像下图展示的一样,在中断中完成T1U或T1D事件拉高或置低EPWM。
AQSFRC.OTSFA(One-Time)就是只执行一次ACTSFA中配置的相应动作,ACTSFA是动作的配置,而OTSFA是触发配置的一次性事件;
AQCSFRC.CSFA(continuous)就是从配置时刻的下一个TBCLK边沿起或影子模式配置的时刻(AQSFRC.RLDCSF)的下一个TBCLK的边沿时刻起,持续输出相应的配置。
1.例如我是想拉高EPWM1A,用AQSFRC.ACTSFA配置动作并用AQSFRC.OTSFA配置事件发生,我在中断中写下面两语句即可吗?写入会有多大的延迟。
(*ePWM[1]).AQSFRC.bit.ACTSFA=1 ;
(*ePWM[1]).AQSFRC.bit.OTSFA=1 ;
2.例如采用AQCSFRC配置EPWM1A输出低电平,并配置立即装载,这一事件发生在CTR=PRD之前,那如果我在之前AQCTLA中设置了CTR=PRD事件时EPWM1A输出高电平,那输出会置高还是继续维持低电平?