F28377D的外部时钟,在手册中是下面这样的
controlsuite中原理图是下面这样的
这图中是晶体,但好像不是手册中的电路,请问是怎么回事
This thread has been locked.
If you have a related question, please click the "Ask a related question" button in the top right corner. The newly created question will be automatically linked to this question.
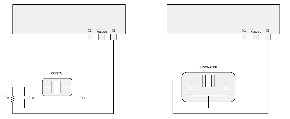
F28377D的外部时钟,在手册中是下面这样的
controlsuite中原理图是下面这样的
这图中是晶体,但好像不是手册中的电路,请问是怎么回事