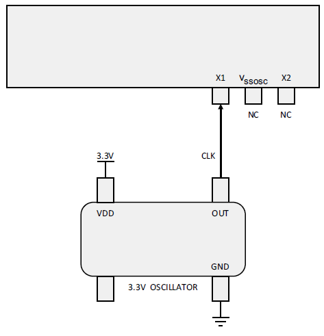
手册中给的标准接法如下,现在想知道晶振电源的3.3v用哪个3.3v,ti的controlsuite中F28377D的开发板有好几种3.3v
请问有源晶振的3.3v,应该使用哪一路的3.3v
This thread has been locked.
If you have a related question, please click the "Ask a related question" button in the top right corner. The newly created question will be automatically linked to this question.
手册中给的标准接法如下,现在想知道晶振电源的3.3v用哪个3.3v,ti的controlsuite中F28377D的开发板有好几种3.3v
请问有源晶振的3.3v,应该使用哪一路的3.3v