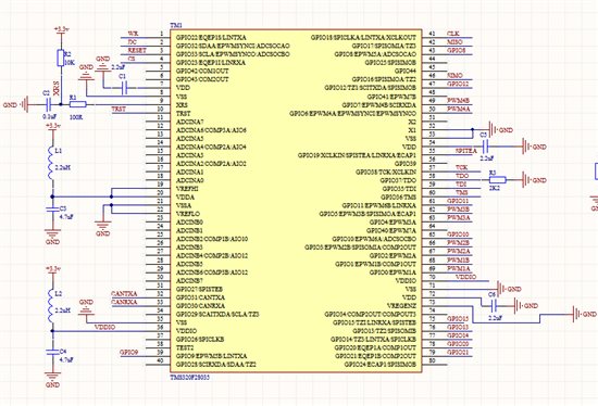
画了一块28035的最小系统板 通过JTAG连上仿真器后,可以通过RAM和FLASH仿真,并且正常运行,但是一旦用导体接触板子上的GND的时候就仿真出错(未构成回路),比如用一根导线一端悬空,一端接触GND,就会报如下错误:

原理图:
不知道是不是电容的问题?
或者是不是应该用磁珠而我用的贴片电感的问题?
This thread has been locked.
If you have a related question, please click the "Ask a related question" button in the top right corner. The newly created question will be automatically linked to this question.
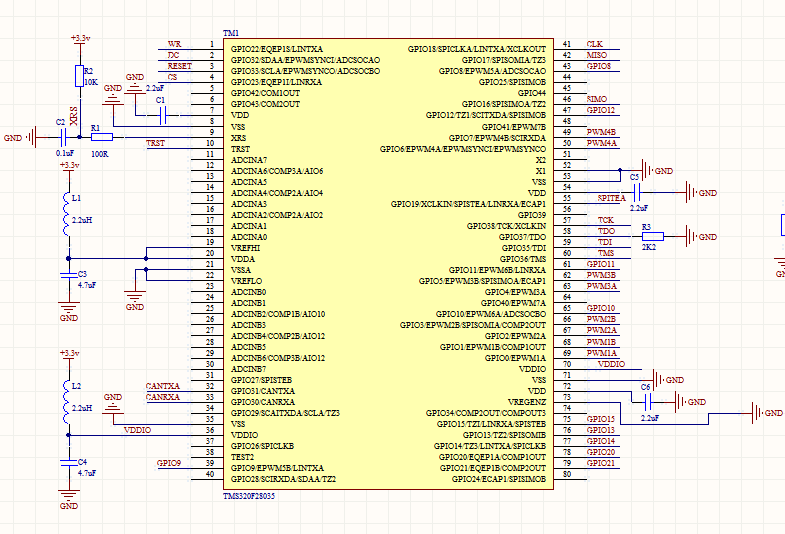
画了一块28035的最小系统板 通过JTAG连上仿真器后,可以通过RAM和FLASH仿真,并且正常运行,但是一旦用导体接触板子上的GND的时候就仿真出错(未构成回路),比如用一根导线一端悬空,一端接触GND,就会报如下错误:

原理图:
不知道是不是电容的问题?
或者是不是应该用磁珠而我用的贴片电感的问题?