This thread has been locked.

If you have a related question, please click the "Ask a related question" button in the top right corner. The newly created question will be automatically linked to this question.

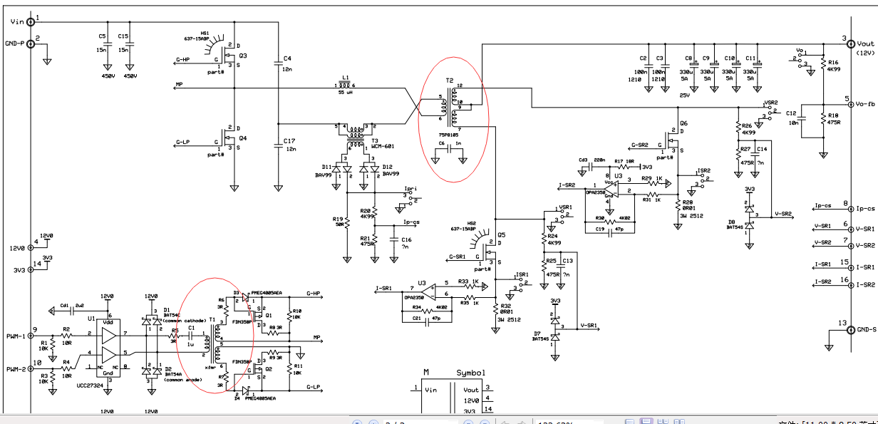
关于LLC谐振变换器变压器参数问题



如图所示的T2变压器,具体参数是什么,查了一下TI 提供的bom表,型号为75PR8105,是由Vitec公司定制的,所以查不到detasheet。去Vitec的官网也查不到这个型号,请问变压器原副边感量是多少,匝比是多少?