This thread has been locked.

If you have a related question, please click the "Ask a related question" button in the top right corner. The newly created question will be automatically linked to this question.

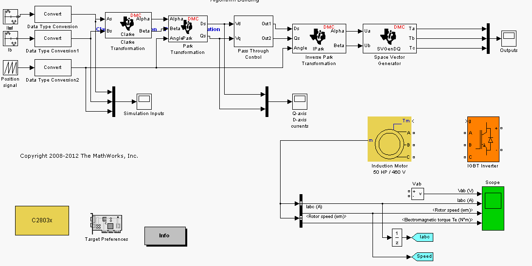
请教:交流感应电机仿真问题



如何连接 Space Vector 和 Induction motor ?

Induction motor 的 A/B/C 和 IGBT  Inverter 可以连接, 但和 Space Vector的 Ta/Tb/Tc 无法相连。

使用的是 Matlab R2012a

请教:  应该插入什么模块?