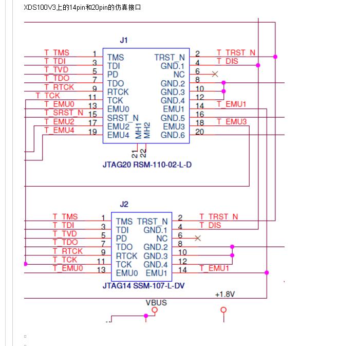
手上有一块TMS570LS31x_HDK开发板,TI官方买的,可以使用板子上自带的XDS100V2 USB接口直接调试,我看到板子上还有一个20Pin的JTAG直针接口,参考原理图上是连接到了570上的,同时我手中还有一个网上买的XDS100V2仿真器,14pin接口和20pin接口,定义如下;
测试时,硬件连接是:TMS,TDI,TDO,TCK,RTCK,nTRST,GND一一对应连接,win7旗舰64操作系统,CCS5.2,错误提示是180.提示是目标未上电;请问是什么问题呢?
This thread has been locked.
If you have a related question, please click the "Ask a related question" button in the top right corner. The newly created question will be automatically linked to this question.