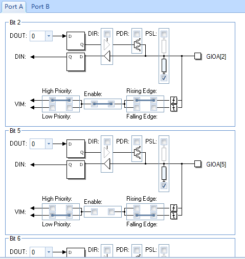
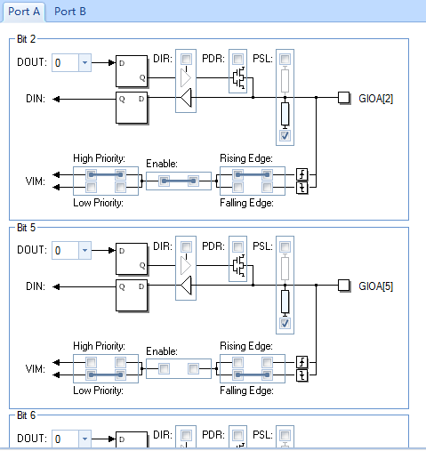
我在用这个代码生成器时,发现怎么gio的引脚不够啊gioa(2-7)共6个,giob显示的只有一个??怎么回事啊?我用的是V3.03.03版本。如图所示
程序中用GIOA【0】和GIOA[1]作为中断,引脚上升沿触发中断。
GIOB【2】 GIOB【3】引脚 设置为高电平输出。(只需设置DOUT寄存器为1,dir寄存器就行?)
This thread has been locked.
If you have a related question, please click the "Ask a related question" button in the top right corner. The newly created question will be automatically linked to this question.
我在用这个代码生成器时,发现怎么gio的引脚不够啊gioa(2-7)共6个,giob显示的只有一个??怎么回事啊?我用的是V3.03.03版本。如图所示
程序中用GIOA【0】和GIOA[1]作为中断,引脚上升沿触发中断。
GIOB【2】 GIOB【3】引脚 设置为高电平输出。(只需设置DOUT寄存器为1,dir寄存器就行?)