Part Number: EVM430-FR6043
Other Parts Discussed in Thread: SN74LVC2T45
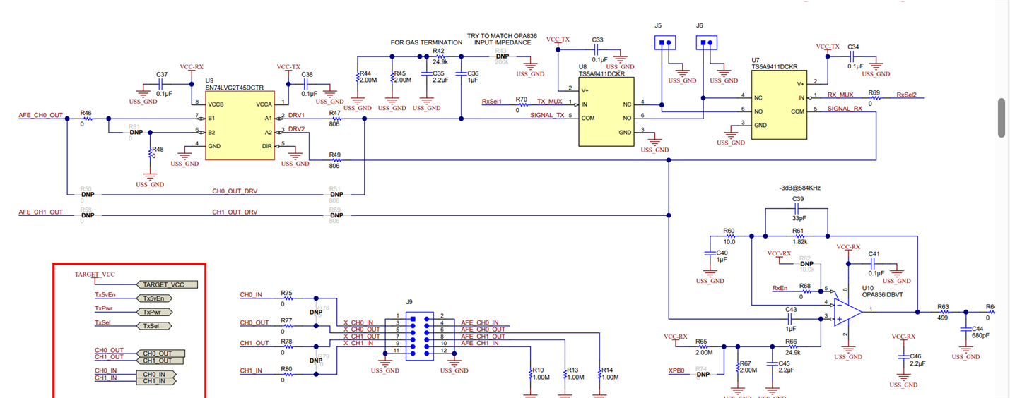
1:SN74LVC2T45上的DRV1和DRV2是什么意思,以及SN74LVC2T45的作用是什么?
2:AFE CH IN和AFE CH OUT 又是什么意思?

This thread has been locked.
If you have a related question, please click the "Ask a related question" button in the top right corner. The newly created question will be automatically linked to this question.
Part Number: EVM430-FR6043
Other Parts Discussed in Thread: SN74LVC2T45
1:SN74LVC2T45上的DRV1和DRV2是什么意思,以及SN74LVC2T45的作用是什么?
2:AFE CH IN和AFE CH OUT 又是什么意思?

您好,
对于气体流量测量只使用CH0. 请参考Ultrasonic Sensing Solution (USS) Guide “4.1.3 Gas Meter Schematic”