想请教一下,带有test管脚的MSP430,看手册上是说jtag和io口复用的,那我只要把test脚连接到下载器上就能下载程序了吗?前提是TCK,TMS,TDI,TDO,RST,GND都已连上下载器了,谢谢
This thread has been locked.
If you have a related question, please click the "Ask a related question" button in the top right corner. The newly created question will be automatically linked to this question.
想请教一下,带有test管脚的MSP430,看手册上是说jtag和io口复用的,那我只要把test脚连接到下载器上就能下载程序了吗?前提是TCK,TMS,TDI,TDO,RST,GND都已连上下载器了,谢谢
就是说我接到仿真器上,就可以下程序调试,不接的话jtag口就用作io口?
还有一个问题,带test的430,还需要外部配置电阻什么吗,还是只连上test就能用,谢谢
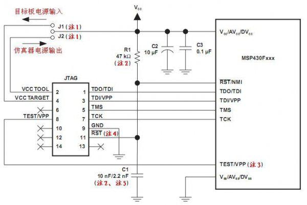
TEST上可以不用上拉电阻,当然你也可以上拉电阻。
外围还需要REST 复位电路,具体参考TI F2系列应用手册。
simiao chen 说:就是说我接到仿真器上,就可以下程序调试,不接的话jtag口就用作io口?
还有一个问题,带test的430,还需要外部配置电阻什么吗,还是只连上test就能用,谢谢