This thread has been locked.

If you have a related question, please click the "Ask a related question" button in the top right corner. The newly created question will be automatically linked to this question.

MSP430F149程序运行问题



通过仿真器下载程序,下载完,拔掉仿真器,小程序可以正常运行,大程序不能运行,必须插上仿真器才能运行,这是什么问题?怎么解决?在开发板上拔掉仿真器均可正常运行

  • 建议 上传程序看看。

    带仿真器可以运行拔下仿真器不能运行,一般问题的原因是供电问题,如果运行依赖通讯,也有可能是通讯时序的原因

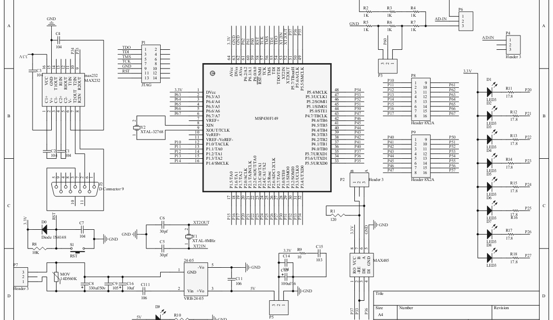
  • 这是对应的原理图,板子的供电是同一的,都是由AMS1117-3,3来实现全部供电的。仿真器不供电,只用了他的TDO\TDI\TMS\TCK\GND\RST引脚,没有供电。出现的问题是小程序在拔掉仿真器后可以运行,大程序(附件中的程序使用了两个UART和一个ADC采集)在拔掉仿真器后不运行,没有反应。这是怎么回事?谢谢