Other Parts Discussed in Thread: MSP430F149
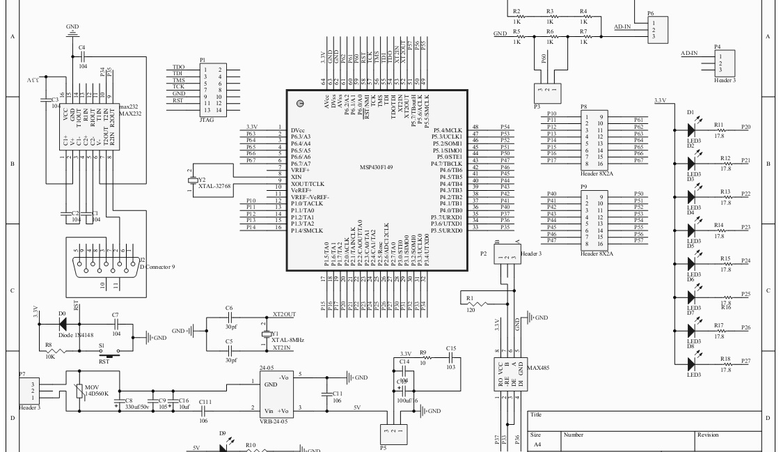
采用msp430f149做了一块串口通信和模拟采集的板子,其中有led测试灯。在测试板子的是否正常时,采用led测试灯程序,利用仿真器下载程序,能够正常运行,拔掉仿真器也能正常运行。单一的adc采集或rs232串口通信程序在连着仿真器时能够正常运行,拔掉仿真器后不能运行,复位后也不运行。把adc和串口通信合到一块连着仿真器时可以运行,拔掉后板子没有反应,这是什么问题?各位大侠,这该怎么解决啊?求助
这是原理图,附件是程序
