This thread has been locked.

If you have a related question, please click the "Ask a related question" button in the top right corner. The newly created question will be automatically linked to this question.

MSP430F149串口程序执行失败

Other Parts Discussed in Thread: MSP430F149

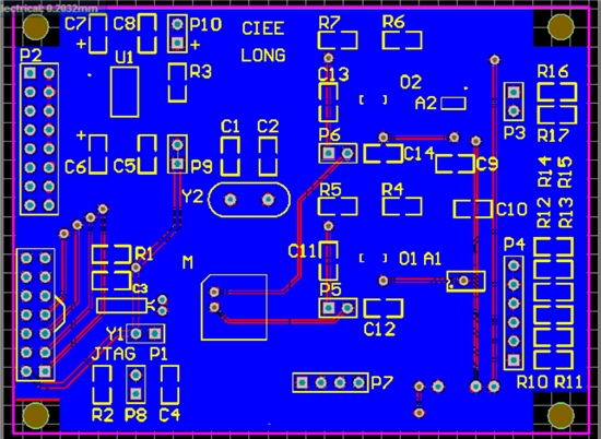
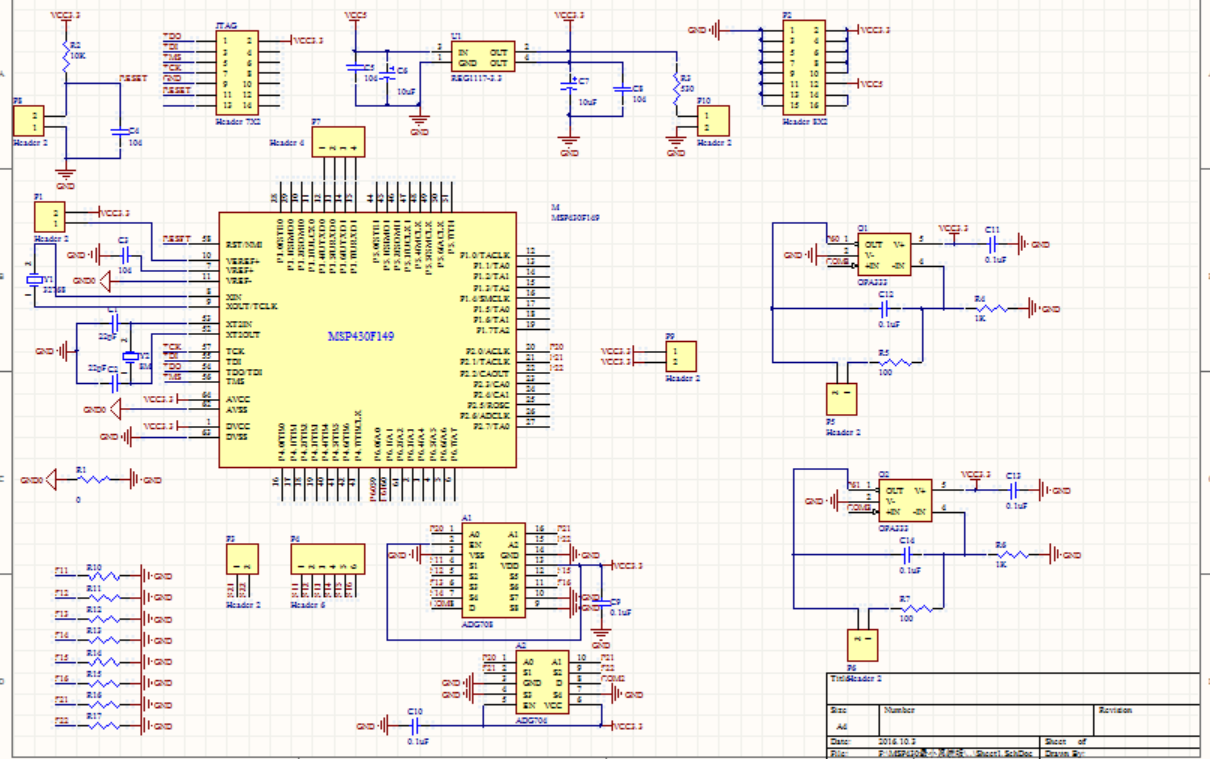
MSP430F149串口程序执行失败,这是我制作电路板的原理图和PCB板,利用JTAG烧写引脚高低电平变换的程序,单片机可以运行程序,但是把串口通信程序

却无法执行,请教一下各路大神,是那里出问题了呢


#include <msp430x14x.h>

/********************主函数********************/
void main(void)
{
/*下面六行程序关闭所有的IO口*/
P1DIR = 0XFF;P1OUT = 0XFF;
P2DIR = 0XFF;P2OUT = 0XFF;
P3DIR = 0XFF;P3OUT = 0XFF;
P4DIR = 0XFF;P4OUT = 0XFF;
P5DIR = 0XFF;P5OUT = 0XFF;
P6DIR = 0XFF;P6OUT = 0XFF;

WDTCTL = WDTPW + WDTHOLD; // 关闭看门狗
P6DIR |= BIT2;P6OUT |= BIT2; //关闭电平转换

P3SEL |= 0x30; // 选择P3.4和P3.5做UART通信端口 P3.4 铜色 P3.5红线
ME1 |= UTXE0 + URXE0; // 使能USART0的发送和接受
UCTL0 |= CHAR; // 选择8位字符
UTCTL0 |= SSEL0; // UCLK = ACLK
UBR00 = 0x03; // 波特率9600
UBR10 = 0x00; //
UMCTL0 = 0x4A; // Modulation
UCTL0 &= ~SWRST; // 初始化UART状态机
IE1 |= URXIE0; // 使能USART0的接收中断

while(1)
{
_EINT(); //打开全局中断
LPM1; //进入LPM1模式
while (!(IFG1 & UTXIFG0)); //等待以前的字符发送完毕
TXBUF0 = RXBUF0; //将收到的字符发送出去
}
}

#pragma vector = UART0RX_VECTOR
__interrupt void UART0_RXISR(void)
{
LPM1_EXIT; //退出低功耗模式
}