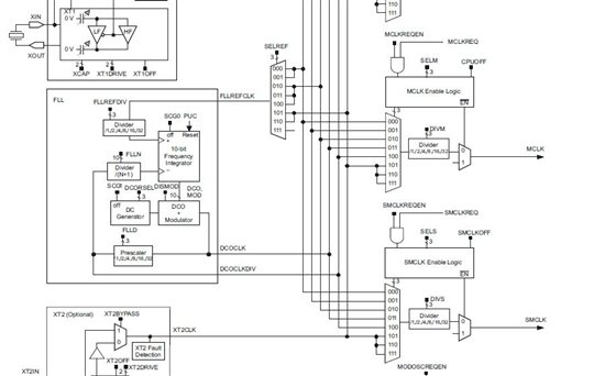
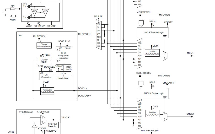
MSP430F5529 MCLK SMCLK 可以分别设置不通的频率吗?
如何设置,,我根据参考例子。设置后MCLK SMCLK 是一样的频率, 希望比如MCLK 24M用于CPU运行 SMCLK 8M用于外设时钟
This thread has been locked.
If you have a related question, please click the "Ask a related question" button in the top right corner. The newly created question will be automatically linked to this question.
MSP430F5529 MCLK SMCLK 可以分别设置不通的频率吗?
如何设置,,我根据参考例子。设置后MCLK SMCLK 是一样的频率, 希望比如MCLK 24M用于CPU运行 SMCLK 8M用于外设时钟