大家好,在使用 MSP430FR6989 的 COMP_E 组件时,对于 CEREF0 和 CEREF1 的设置感到疑惑,而用户手册也没有详细的说明。
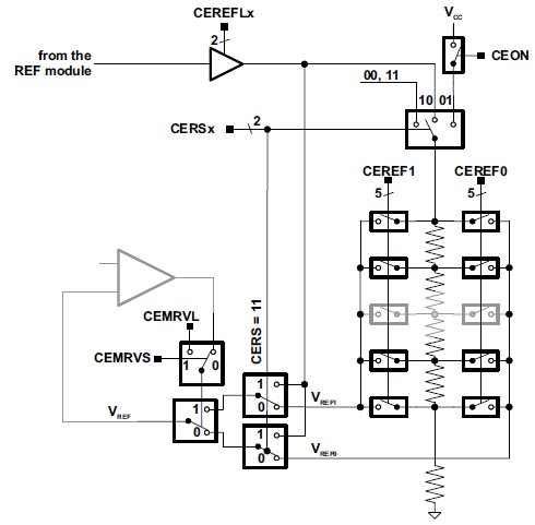
按照手册,参考电压的原理框图如下:
而 MSP430 提供的例子设置如下:
CECTL2 = CEREF13 | CERS_1 | CERSEL | CEREF04 | CEREF03; // VRef is applied to -terminal
// VREF1 is Vcc*1/4
// VREF0 is Vcc*3/4
另外一个例子:
CECTL2 = CERS_1 | CERSEL | CEREF04; // VREF is applied to -terminal
// VCC applied to R-ladder; VREF0 is Vcc*1/2
具体的设置根据上图来理解,应该如何设置?按照我的理解,如果上面的 5 个电阻都是 R 的话, 设置 CEREF02 | CEREF03 才能得到 Vcc * 1/2
