This thread has been locked.

If you have a related question, please click the "Ask a related question" button in the top right corner. The newly created question will be automatically linked to this question.

请问:如何进入Timer中断处理程序?

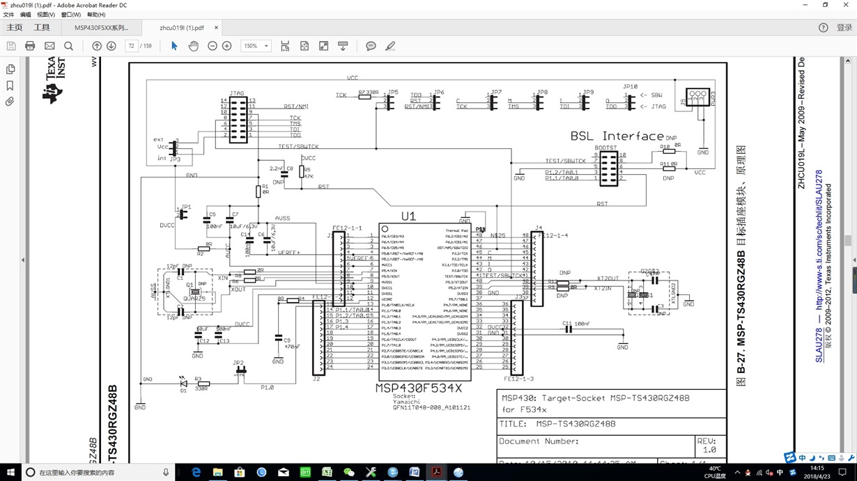
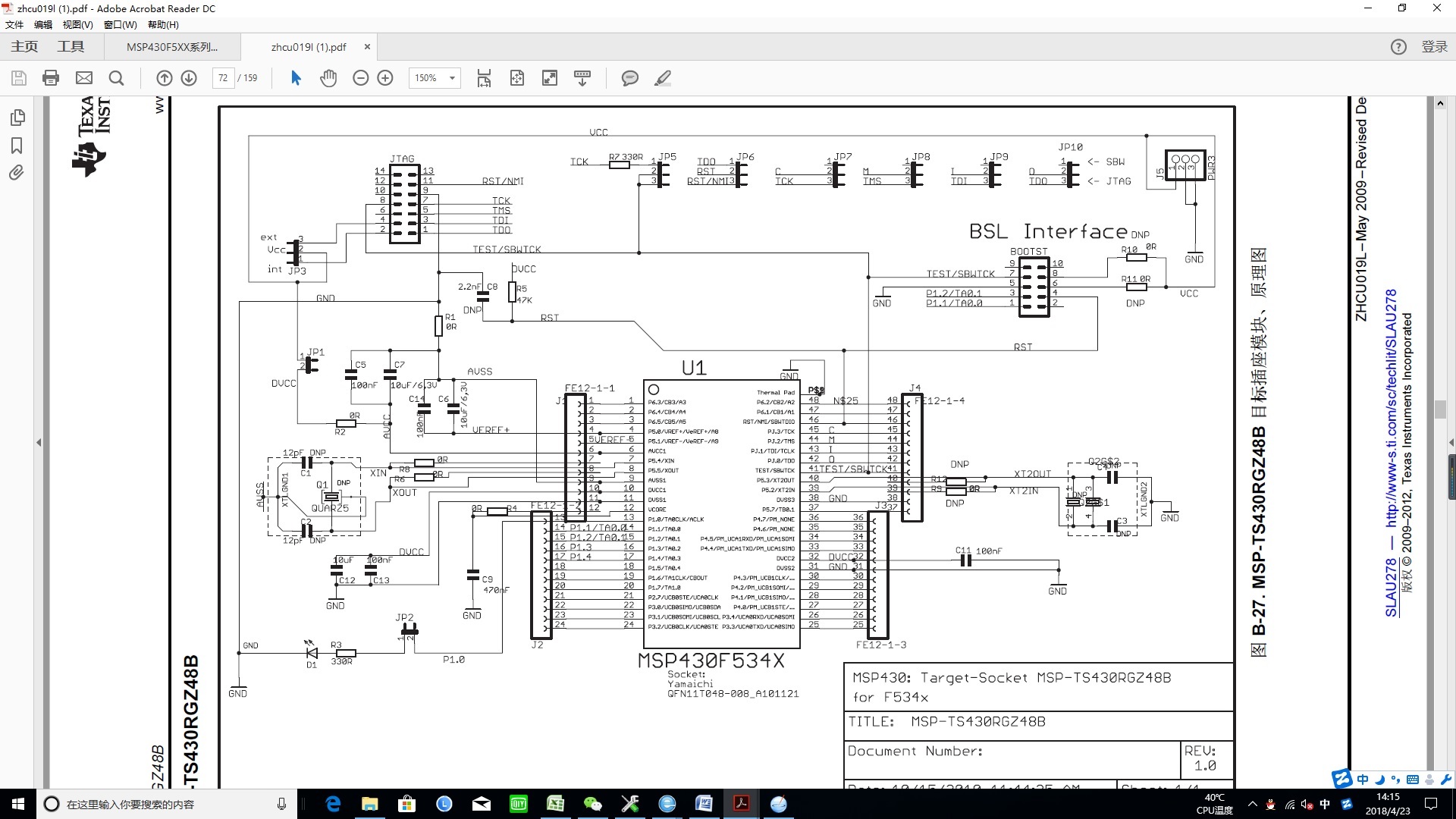
Other Parts Discussed in Thread: MSP-TS430RGZ48B, MSP430F5342

大家好:

    我们购买了MSP-TS430RGZ48B开发板和MSP-FET430UIF(供电)调试器,

   但进不了Timer中断处理程序!

   TI提供的参考程序如下:

    

#include <msp430f5342.h>

int main(void)
{
    WDTCTL = WDTPW + WDTHOLD; // Stop WDT
    P1DIR |= 0x01; // P1.0 output
    TA0CTL = TASSEL_1 + MC_2 + TACLR + TAIE; // ACLK, contmode, clear TAR
             // enable interrupt

    __bis_SR_register(LPM3_bits + GIE); // Enter LPM3, enable interrupts
    __no_operation(); // For debugger
}

// Timer0_A5 Interrupt Vector (TAIV) handler
#if defined(__TI_COMPILER_VERSION__) || defined(__IAR_SYSTEMS_ICC__)
#pragma vector=TIMER0_A1_VECTOR
__interrupt void TIMER0_A1_ISR(void)
#elif defined(__GNUC__)
void __attribute__ ((interrupt(TIMER0_A1_VECTOR))) TIMER0_A1_ISR (void)
#else
#error Compiler not supported!
#endif
{
     switch(__even_in_range(TA0IV,14))
     {
          case 0: break; // No interrupt
          case 2: break; // CCR1 not used
          case 4: break; // CCR2 not used
          case 6: break; // reserved
          case 8: break; // reserved
          case 10: break; // reserved
          case 12: break; // reserved
          case 14: P1OUT ^= 0x01; // overflow
                            break;
          default: break; 
    }
}