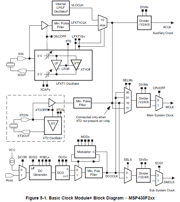
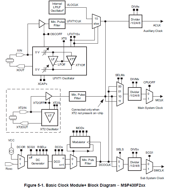
• LFXT1CLK: Low-frequency/high-frequency oscillator that can be used with low-frequency watch crystals or external clock sources of 32768 Hz or with standard crystals, resonators, or external clock sources in the 400-kHz to 16-MHz range.
• XT2CLK: Optional high-frequency oscillator that can be used with standard crystals, resonators, or external clock sources in the 400-kHz to 16-MHz range.
• DCOCLK: Internal digitally controlled oscillator (DCO).
• VLOCLK: Internal very low power, low frequency oscillator with 12-kHz typical frequency.
但是,在MSP430G2553的数据手册里,只找到了Xin和Xout引脚。根据下图
Not all clock features are available on all MSP430x2xx devices:
MSP430G22x0: LFXT1 is not present, XT2 is not present, ROSC is not supported.
MSP430F20xx, MSP430G2xx1, MSP430G2xx2, MSP430G2xx3: LFXT1 does not support HF mode, XT2 is not present, ROSC is not supported.
MSP430x21x1: Internal LP/LF oscillator is not present, XT2 is not present, ROSC is not supported.
MSP430x21x2: XT2 is not present.
MSP430F22xx, MSP430x23x0: XT2 is not present.
G2553不在此列,不过是不是也是不支持XT2的;另外高频晶振和低频晶振在这里是怎么划分的?
