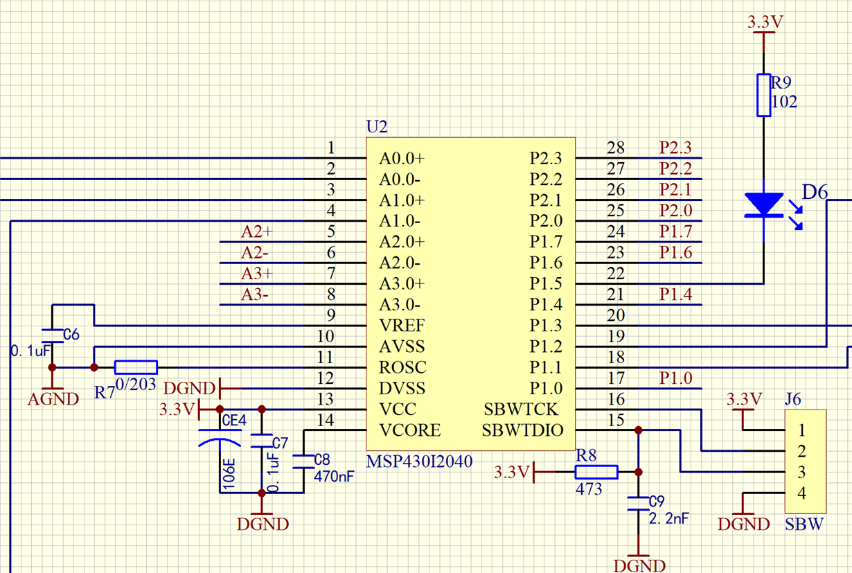
我最近画了一个电路板,单片机采用MSP430I2041,电路图如下所示:
J6是我电路板上的调试仿真接口,其第2脚接JTAG仿真器的第7脚(TCK),第3脚接JTAG仿真器的第1脚(TDIO)。
软件使用IAR 7.10.1,程序是官方的例程,包含low_level_init.c、msp430i20xx_cs_01.c,但就是下载不了。每次下载如下图所示:
我尝试了以下办法:
1、怀疑复位电路电容C9容值太大,换成1nf,甚至直接去掉,都不管用;
2、怀疑单片机是否为正品,第二次直接从TI官网购买,现象一模一样;
3、怀疑仿真器有问题,但该仿真器在其他430单片机上都可以用,包括用SBW方式下载,但就在这块电路板上不行;
4、怀疑电源供电,但用万用表测量电源电压为3.3v,核心电压为1.8v,似乎也没有问题;
5、用JTAG 4线制下载也不行,现象一样。
请大家帮忙看看,到底是什么原因导致我不能下载。
谢谢大家!

