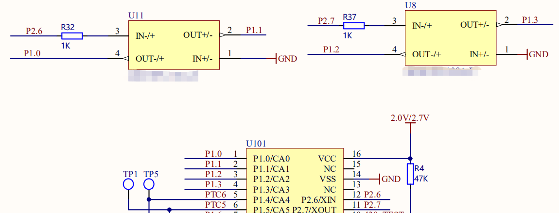
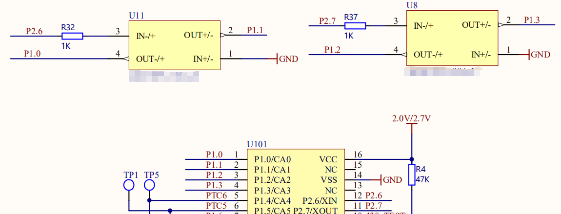
各位好,我配置了MSP430的内部时钟,但是其中的32768一直不起振,因为xin/xout外部有接器件,想请教下如何在xin/xout外部有接外部器件的情况下,使用32768这个时钟
下面是配置时钟的代码,以及xin/xout两个引脚的原理图
void SystemClock_Init(void)
{
if (CALBC1_12MHZ==0xFF) // If calibration constants erased
{
while(1); // do not load, trap CPU!!
}
DCOCTL = 0; // Select lowest DCOx and MODx settings
BCSCTL1 = CALBC1_12MHZ + DIVA_0 ; // Set range
DCOCTL = CALDCO_12MHZ; // Set DCO step + modulation*/
BCSCTL2 = DIVS_0+DIVM_1;
BCSCTL3 |= LFXT1S_0 ;
delay_us(50);
}
