This thread has been locked.

If you have a related question, please click the "Ask a related question" button in the top right corner. The newly created question will be automatically linked to this question.

MSP430F5510IPT枚举不成功



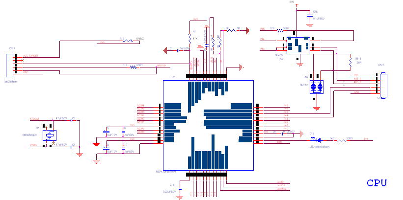
大家好,最近在用MSP430F5510IPT (LQFP封装的,和官方的型号一样,封装不一样)做USB键盘,根据官方提供的“USB Keyboard Using MSP430_ Microcontrollers.pdf”做的,

开发环境为:IAR 5.50.2

软件例程为:SLAA514_SW(例程)

现象:

PUR脚上拉到3.3V后,可以识别别人体学USB

PUR不上拉,200K下拉到地后,发现枚举不成功

PUR不上拉,200K下拉到地后,上电刚开始后8MHz晶振起振,一段时间后停止。

附件为最小系统图,哪位大侠可以帮看看吗,谢谢!

  • 感谢大家的关注,问题已经解决了,查了将近两个星期,⊙﹏⊙b汗,因为我用的是8MHz的晶振,官方demo  USB晶振配的是4MHz,在USB

    Config/descriptors/descriptors.h中的#define USB_XT_FREQ       USBPLL_SETCLK_4_0 应改为#define USB_XT_FREQ       USBPLL_SETCLK_8_0,就可以了,同时

    核心板在烧写完后我附图中的R8不要焊,上电后就可以了,唉。。。,真不知道官方为什么要画两个晶振,一个4MHz,一个8MHz,只画一个4MHz的不就好了吗,想我这

    种刚用430的容易出错啊