This thread has been locked.
If you have a related question, please click the "Ask a related question" button in the top right corner. The newly created question will be automatically linked to this question.
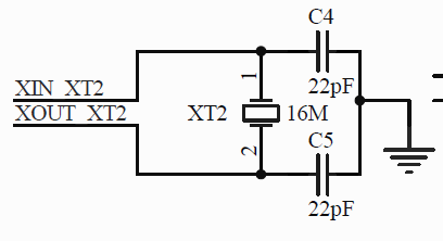
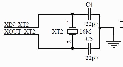
我的开发板是自带的16M晶振,我把它换成了25M的,电容换成了32pf,就不能用了,换回来就好了,为什么?
你好,请尝试把电容改小,或者去掉试试~
大的晶振不是需要大电容吗?