刚才MSP430F5438A 捕获直流电压,下午还好好的,刚才突然电源就短路了。然后P60就捕获不到任何值了。 将程序下载到另外一块板子上就可以正常使用。在断电的情况下,再用万用表裁量P60和地就是导通的。其他模块可以正常使用(定时器,液晶显示)。现在想知道我是不是p60烧掉了。还有就是我用p61去测量电压能进中断,但是ADC12MEM的值一直是零。求解答?(好不容易申请的新芯片难道就这样烧了吗?桑心啊)
This thread has been locked.
If you have a related question, please click the "Ask a related question" button in the top right corner. The newly created question will be automatically linked to this question.
刚才MSP430F5438A 捕获直流电压,下午还好好的,刚才突然电源就短路了。然后P60就捕获不到任何值了。 将程序下载到另外一块板子上就可以正常使用。在断电的情况下,再用万用表裁量P60和地就是导通的。其他模块可以正常使用(定时器,液晶显示)。现在想知道我是不是p60烧掉了。还有就是我用p61去测量电压能进中断,但是ADC12MEM的值一直是零。求解答?(好不容易申请的新芯片难道就这样烧了吗?桑心啊)
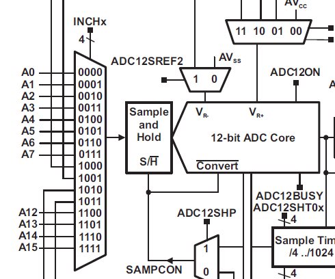
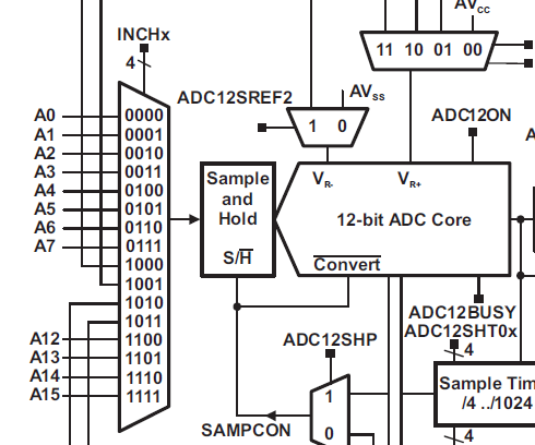
根据描述的现象看,程序不是导致P6.0捕获不到值的原因,该引脚允许的输入电压范围为0到AVcc(最大3.6V),是否输入的直流电压有超过这个范围?个人感觉P6.0烧掉的可能性较大,可以换其它15个ADC输入通道之一采集电压。
换做P6.1后ADC12MEM值为零的现象可否提供更多的线索,如实验代码等。另外前面提到的将程序下载到另一个板子可以正常使用是什么状态?对应的ADC12MEM值是正确的?如果该值也为零,程序中相关寄存器配置有误的可能性就比较大。
恩,就是P60烧掉了,换成P1后就可以使用了。但是除了P60不能用,会不会对其他地方产生影响呢?