
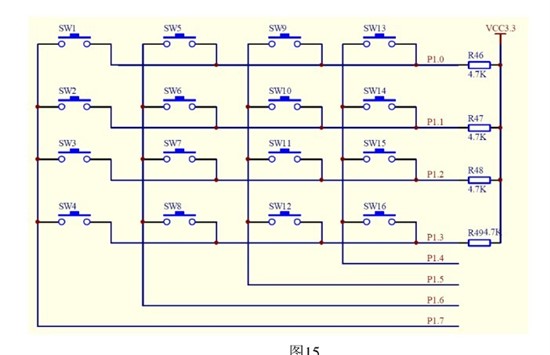
上面两幅图是我msp430f2618的键盘与管脚的原理图,我写了个最简单的程序,
,然后接上万能表,测试P1.0的电位(所有的键位都按了一遍),为什么得到的总是高电位呢
This thread has been locked.
If you have a related question, please click the "Ask a related question" button in the top right corner. The newly created question will be automatically linked to this question.

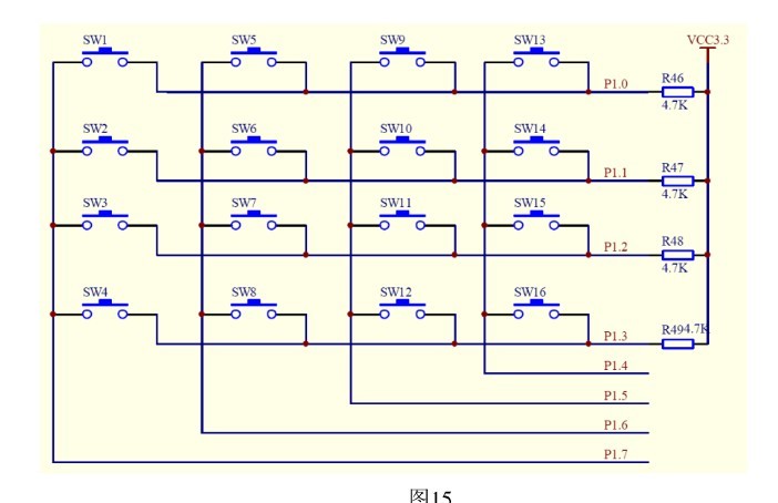
上面两幅图是我msp430f2618的键盘与管脚的原理图,我写了个最简单的程序,
,然后接上万能表,测试P1.0的电位(所有的键位都按了一遍),为什么得到的总是高电位呢