程序第一句话不都是 关闭看门狗 ( WDTCTL |= WDTPWD + WDTHOLD;)
那我可以用RO_PINOSC_TA0_WDTp这个方法,用看门狗作为GateTime可以正常使用吗?
我自己试过,这个方法可以用,但是不知道怎么用的。
This thread has been locked.
If you have a related question, please click the "Ask a related question" button in the top right corner. The newly created question will be automatically linked to this question.
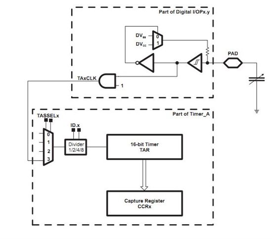
你的意思是想用看门狗来做RO_PINOSC的GateTime么?
操作如下:
1. 设置WDT的工作模式为定时器模式,(默认为看门狗模式)
2. 利用MSP430内部的比较器或者带PinOSC功能的引脚做成张弛振荡器,它的频率由触摸按键的电容决定,在无触摸的时候电容小,对应的充放电速度就较快,输出频率高;有触摸时电容变大,充放电的速度变低,导致输出频率降低
3. 利用看门狗的定时器,测量振荡器的输出频率(测量周期个数),观察其变化来判断是否有按键按下
4. 如果芯片有未用的TA,TB,建议用TA,TB来做GateTime.