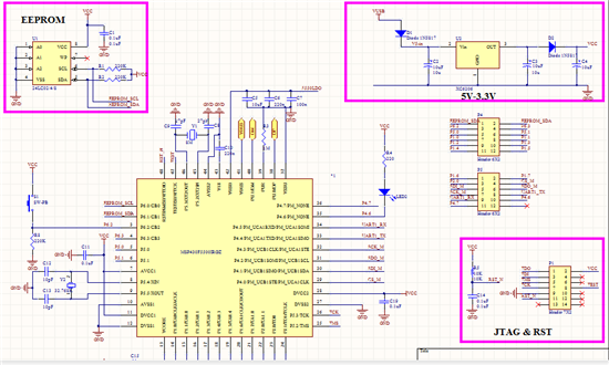
最近在做一个基于TI公司MSP430f5500芯片的项目,最小核心板如下:
使用TI标准的2线制 以及 4线制 尝试了好几个仿真器 均无法找到该芯片
代码如下:
仿真器设置如下:
用的下载器:
请教众大神,这块芯片是否支持二线制 该如何才能正确下载程序呢?
This thread has been locked.
If you have a related question, please click the "Ask a related question" button in the top right corner. The newly created question will be automatically linked to this question.
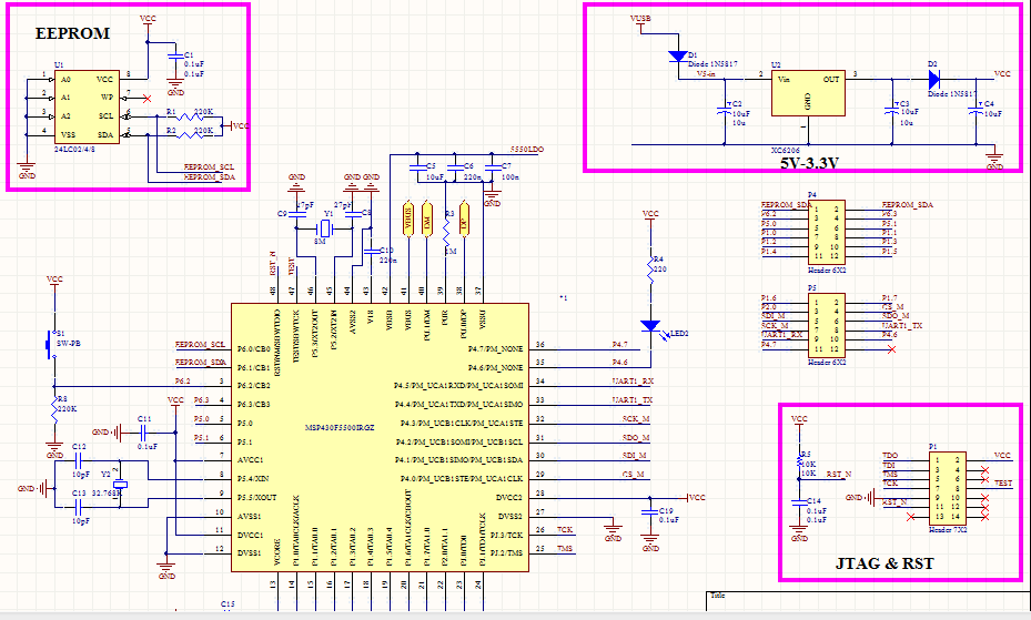
最近在做一个基于TI公司MSP430f5500芯片的项目,最小核心板如下:
使用TI标准的2线制 以及 4线制 尝试了好几个仿真器 均无法找到该芯片
代码如下:
仿真器设置如下:
用的下载器:
请教众大神,这块芯片是否支持二线制 该如何才能正确下载程序呢?
该芯片是支持二线制的,可查看数据手册 http://www.ti.com/lit/ds/symlink/msp430f5500.pdf 第23页
找不到芯片的话 应该是硬件上的问题
嗯, 谢谢 二线制是所以的5系列都支持的吗? 我之前试过 msp430g2553 和 msp430f5529确实二线都没问题
但在这款芯片上死活就是不识别 可否说明下原理图是否有问题呢
你好,
5.0出来的时候F5500还没有出来,所以会出现你找不到device的问题,这个用最新的IAR即可找到。
你好,
原理图没有问题,但有以下建议:
1.检测你VCC喝RST电压是否是3.3V
2.去掉RST对地电容,或者改小电容值,2.2nf。
3.换个MSP430G2xx的launchpad,很便宜,launchpad板上自带一个仿真器,用这个仿真器来做项目。