This thread has been locked.

If you have a related question, please click the "Ask a related question" button in the top right corner. The newly created question will be automatically linked to this question.

关于5438a芯片简介和用户指南中不理解的地方



你好:

最近在学习5438a这款单片机,几乎将他的引脚表和用户指南中关于这一模块的东西快背到了。因此,也有了不少的问题需要大神们解决一下,求知道的大侠们指导小弟一下啊。截图如下:

首先,从这个引脚表中红色标记部分可以看出这个芯片的timer部分分为timer0,timer1,然后有个疑惑就是timer后面跟的那个A1,A2...这是什么意思?假如我要用到taccr3输出pwm波我该从哪个引脚输出啊?(因为user's guide中说了他有7个比较捕获模块,所以理论上来说他还有taccr7的,这些都从哪个引脚输出啊?还是说我本身理解就有问题,输出pwm波是利用他的比较模块这是对的呀,到底怎么回事啊?求解释啊!!!)接下来,我看了用户手册上的一些东西截图如下:

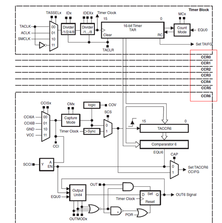
这里说timera有7个比较捕获模块,看了那个引脚表后彻底凌乱了,因为根本不知道那个是taccr几,求指导啊(和上面那个问题其实是一个问题)

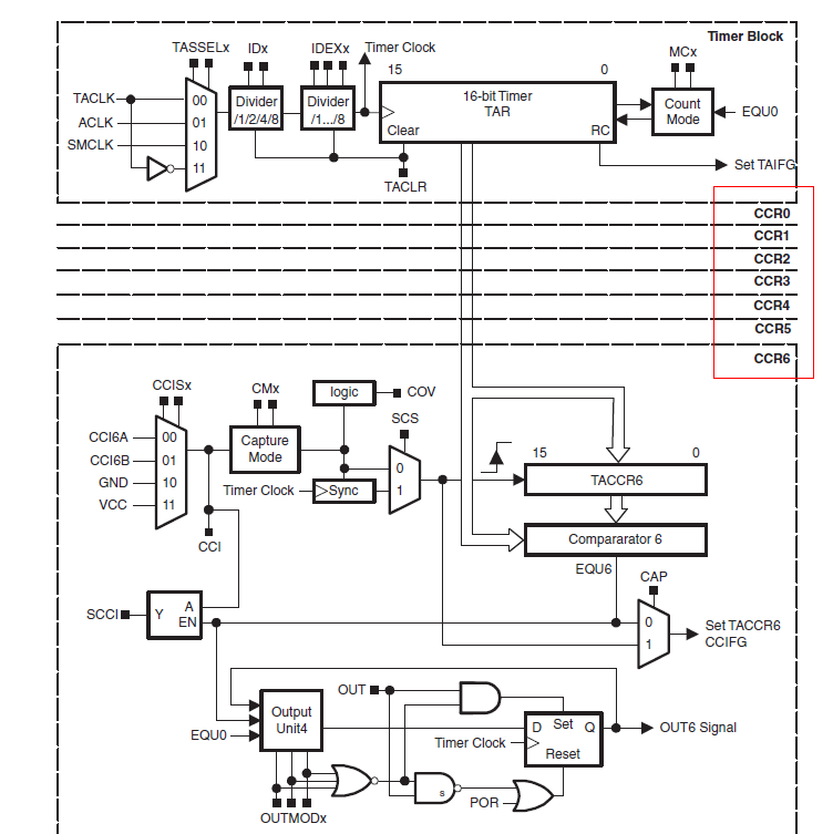
接下来,看看标准的tb吧,截图如下:

这里就可以看见,和ta比较起来可以看出tb明显有且仅有容易理解的几个ccrx,为什么ta和tb有这么大的不一样呀?user‘s guide上说这两个其实是差不多的呀。。。。。

求各位知道的大侠指导一下啊,或许是我自己对这两个模块的理解有问题,求指导啊。。。谢谢啦