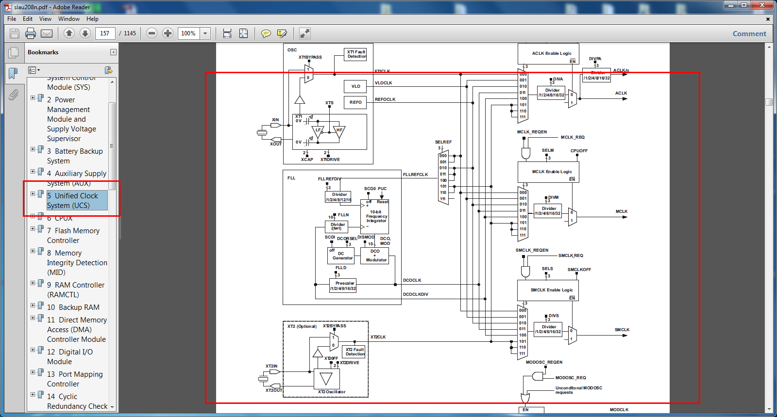
之前用的是2553,在MCLK,SMCLK等配置完频率后,模块调用时钟源时,例如定时器TA调用SMCLK,可以选择SMCLK的时钟分频,例如在TA的寄存器配置DIVS_1即可实现2分频,并且不会影响SMCLK。
但是在使用5529时,由于时钟配置变化很大,对着数据手册也没有找到类似的时钟分频配置。
希望能够获得解答。
This thread has been locked.
If you have a related question, please click the "Ask a related question" button in the top right corner. The newly created question will be automatically linked to this question.
之前用的是2553,在MCLK,SMCLK等配置完频率后,模块调用时钟源时,例如定时器TA调用SMCLK,可以选择SMCLK的时钟分频,例如在TA的寄存器配置DIVS_1即可实现2分频,并且不会影响SMCLK。
但是在使用5529时,由于时钟配置变化很大,对着数据手册也没有找到类似的时钟分频配置。
希望能够获得解答。