This thread has been locked.

If you have a related question, please click the "Ask a related question" button in the top right corner. The newly created question will be automatically linked to this question.

MSP430F5529定时器A的CCIxB信号



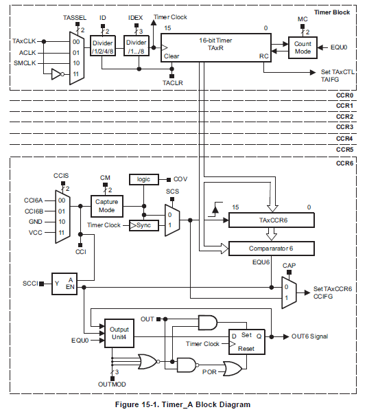
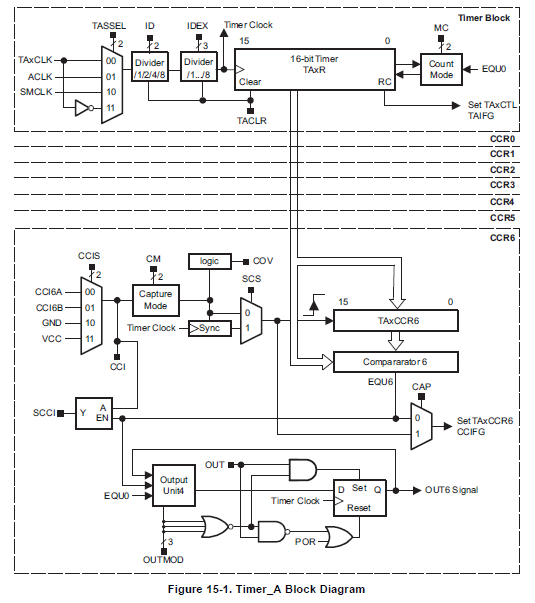
找了很多资料都没有关于Timer_A比较捕获模式的输入信号CCIxB的来源,只知道是一个内部信号。在F5529的datasheet里面发现这么一张表格,但是有几个问题不是很理解:

1、Device Input Signal和Module Input Signal(以及Device Output Signal和Module Output Signal)有什么区别?

2、CCI0B是不是内部与DVss相连?那么这个CCI0B作为比较捕获的输入还有什么意义?

3、TA0CCR1的Module Output Signal是TA1,那是不是意味着TA0CCR0的输出直接作为TA1的计数器的计数信号?

感谢!