Other Parts Discussed in Thread: MSP430F2617, MSP430F149
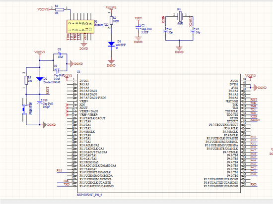
最近做了一块板子,msp430f2617高频晶振无法打开,晶振是16M的,电容30PF,以为是晶振高了,换为8M的还是不行,后来怀疑是程序的问题,但是程序在msp430f149上能打开晶振,程序如下:
BCSCTL1 &= ~XT2OFF;
do
{
IFG1 &= ~OFIFG;
for(int i=0; i<0xFF; i++);
}while(IFG1 & OFIFG);
BCSCTL2 = SELM1 + SELS;
程序执行到while语句跳不出来,一直循环,这就代表晶振没有被开启,请问是怎么回事啊
