|
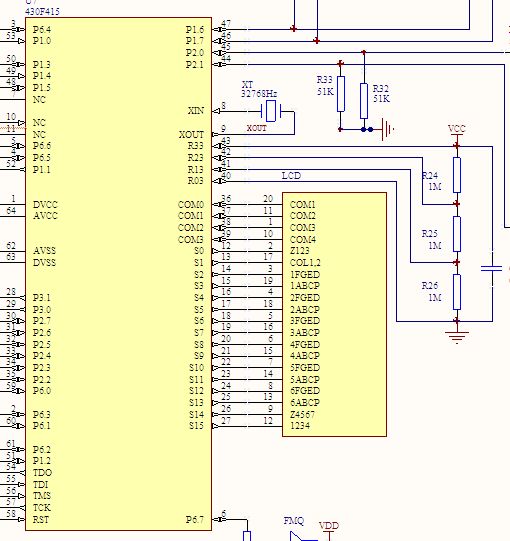
在使用LCD模块的时候,有R03 R13 R23 R33 这四个引脚,看手册上说之间只要接680K的电阻就行。 但是看网上一些有经验的人说,R33还要通过电阻接到VCC。在网上查了。如附件图有两种接法, 我想问问具体应该怎么接呢。到底要不要再接到VCC呢。要是不接会有什么影响呢。求大家指导一下。 |
This thread has been locked.
If you have a related question, please click the "Ask a related question" button in the top right corner. The newly created question will be automatically linked to this question.
|
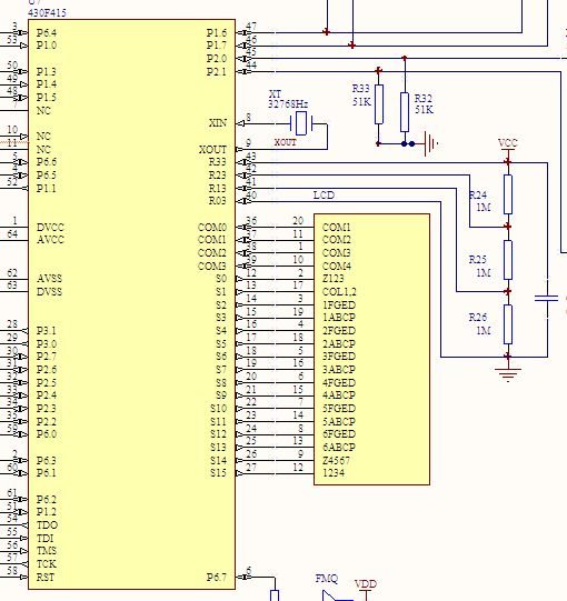
在使用LCD模块的时候,有R03 R13 R23 R33 这四个引脚,看手册上说之间只要接680K的电阻就行。 但是看网上一些有经验的人说,R33还要通过电阻接到VCC。在网上查了。如附件图有两种接法, 我想问问具体应该怎么接呢。到底要不要再接到VCC呢。要是不接会有什么影响呢。求大家指导一下。 |