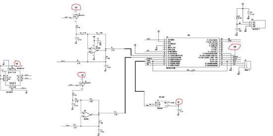
图1-1
实验一:图1-1中,3V是由纽扣电池提供,3VM是由430芯片的P2.4I/O口输出高位提供3V。
当上电后,芯片工作在LPM3低功耗模式,P2.4设置为输出高位,此时发现纽扣电池输出电流(运行功耗)达到1.5mA!同时我用万用表测量了一下P2.4口的电流和电压,发现P2.4的电流就是1.5mA,电压为3V。然后我把P2.4的引脚与电路断开,整个电路的功耗电流恢复到正常0.01mA。
实验二:上面只是我定位电路功耗高原因的方法,发现整个电路功耗高是因为P2.4I/O口电流大。
下面奇怪的事情来了!!!
我把图1-1中的P2.4引脚与电路断开,悬空。将3VM所在的支路直接接到纽扣电池(电源)的3V上,上电,芯片工作在LPM3低功耗模式。奇怪的事情出现了,此时电路的功耗电流只有0.05mA。
让我感到奇怪的是,实验一和实验二中,3VM所在的支路(网络)都是3V的电压,为什么实验一电路的功耗比实验二电路的功耗大很多。
