This thread has been locked.

If you have a related question, please click the "Ask a related question" button in the top right corner. The newly created question will be automatically linked to this question.

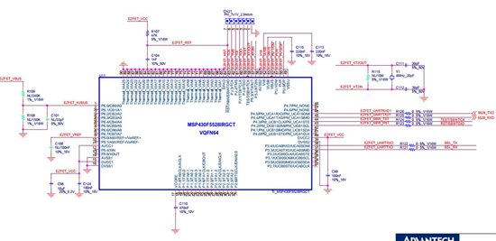
关于MSP430的仿真问题



问题如上图所示,我用的芯片是MSP430F5528IRGCT,我测试了芯片的电压,都OK的!我要用这个芯片给我另一块板子烧录程序!

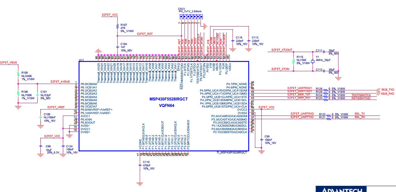
以下是我的电路原理图,其中43与44引脚以及GND是用来给我自己的板子烧录程序用的!