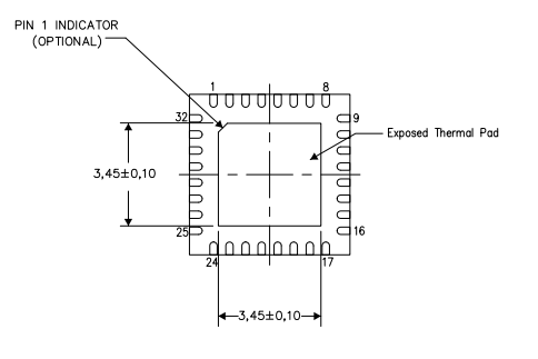
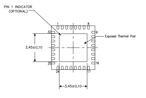
MSP430F2132 QFN封装引脚顺序资料上给的是下面的顺序,和原理图的相反了,是文档的问题还是实际就是下图的顺序那???实际应该按照原理图的顺序还是封装图的顺序???
This thread has been locked.
If you have a related question, please click the "Ask a related question" button in the top right corner. The newly created question will be automatically linked to this question.
MSP430F2132 QFN封装引脚顺序资料上给的是下面的顺序,和原理图的相反了,是文档的问题还是实际就是下图的顺序那???实际应该按照原理图的顺序还是封装图的顺序???