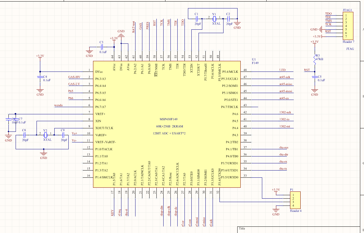
采用149设计的最小系统,复位电压开始正常,芯片正常工作,一段时间后,复位电压逐渐下降,最后不再工作,断电后隔一段时间或者用烙铁烫烫管腿,再上电又恢复正常。一共焊接了2个样本,另外一个复位电压正常的时间较长,但是P4.7输出驱动LED,过段时间LED就不再亮了,测量发现驱动电压不够了。复位电路为阻容10k,0.1uF电容,后来又加二极管测试,问题依然存在。供电为1117输出的3.3V电压,采用内部晶振,电源处接0.1uF电容,P4.7接三极管驱动leD灯闪烁。
This thread has been locked.
If you have a related question, please click the "Ask a related question" button in the top right corner. The newly created question will be automatically linked to this question.