Part Number: TIDM-02013
Hello, experts. I would like to know the method adopted to achieve the leakage inductance of the transformer T1 in this solution. Is it realized by cutting air gaps in the side columns of the transformer, or by means of the main winding arrangement inside the transformer? This is of great help for me to understand the manufacturing method of this product, and I would appreciate it if you could inform me of this.
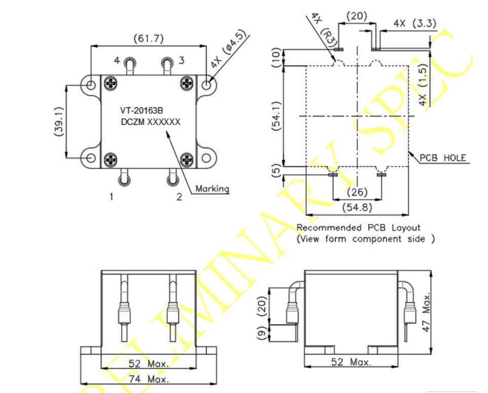
PMP22650-T1-CLLLC变压器-VT-20163B Preliminary SPEC(REV A0)-20210825_v2.2.pdf 