This thread has been locked.

If you have a related question, please click the "Ask a related question" button in the top right corner. The newly created question will be automatically linked to this question.

TM4C123G的电源接法



想询问一下,VDDA,VDDC,GNDX的接法和在电路中的作用

  • 其实手册上有详细介绍,

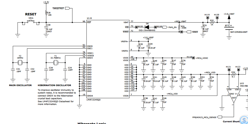
    GNDX    GND for the Hibernation oscillator. When using a crystal clock source, this pin should only be connected to the crystal load capacitors to improve oscillator immunity to system noise. When using an external oscillator, this pin should be connected to GND.

    VDDA    The positive supply for the analog circuits (ADC, Analog Comparators, etc.). These are separated from VDD to minimize the electrical noise contained on VDD from affecting the analog functions. VDDA pins must be supplied with a voltage that meets the specification in Table 24-5 on page 1389, regardless of system implementation.

    VDDC    Positive supply for most of the logic function, including the processor core and most peripherals. The voltage on this pin is 1.2 V and is supplied by the on-chip LDO. The VDDC pins should only be connected to each other and an external capacitor as specified in Table 24-12 on page 1401.

  • 你可以参考这个手册后面原理图的接法

    TM4F232 用户手册.pdf
  • 是我看的不够仔细,谢谢啦