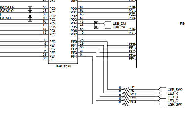
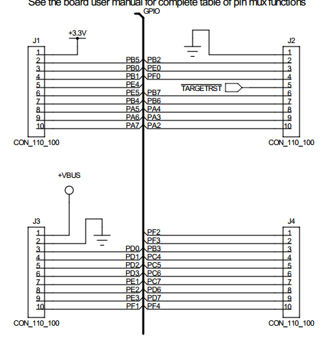
控制LED灯代码一行如下:GPIOPinTypeGPIOOutput(GPIO_PORTF_BASE, GPIO_PIN_1|GPIO_PIN_2|GPIO_PIN_3);
也就是说PF1、PF2、PF3对应三个LED灯,但我看板子上PF1、PF2、PF3对应的是三个引脚针,引脚到底怎么分配的?有文档吗?
This thread has been locked.
If you have a related question, please click the "Ask a related question" button in the top right corner. The newly created question will be automatically linked to this question.
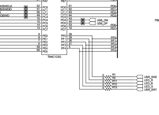
控制LED灯代码一行如下:GPIOPinTypeGPIOOutput(GPIO_PORTF_BASE, GPIO_PIN_1|GPIO_PIN_2|GPIO_PIN_3);
也就是说PF1、PF2、PF3对应三个LED灯,但我看板子上PF1、PF2、PF3对应的是三个引脚针,引脚到底怎么分配的?有文档吗?