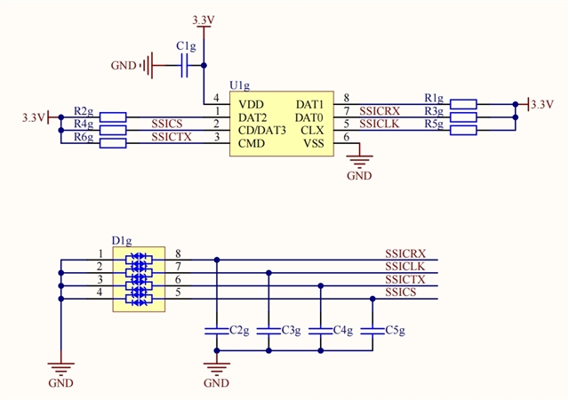
本设计中使用该芯片的SSI0模块进行SPI驱动SD卡,详细设计如下图所示,SD卡直连MCU对应管脚。

实际测试过程中TX脚在空闲状态时会产生一个异常的电压抬升,详细如下图所示。在移除了D1g和对应C2g-C5g之后进行测试也依然存在该波形。

软件中的IO配置相关代码如下图所示。目前通过修改TX的配置至推挽弱下拉和弱上拉都没有改善,包括尝试降低SPI速率至2M、1M与500kHz。但是目前的异常波形尽发生在TX空闲阶段,所以未对SD卡的读写功能造成影响。需要支持该现象的可能潜在原因或者排查方向


This thread has been locked.
If you have a related question, please click the "Ask a related question" button in the top right corner. The newly created question will be automatically linked to this question.
本设计中使用该芯片的SSI0模块进行SPI驱动SD卡,详细设计如下图所示,SD卡直连MCU对应管脚。

实际测试过程中TX脚在空闲状态时会产生一个异常的电压抬升,详细如下图所示。在移除了D1g和对应C2g-C5g之后进行测试也依然存在该波形。

软件中的IO配置相关代码如下图所示。目前通过修改TX的配置至推挽弱下拉和弱上拉都没有改善,包括尝试降低SPI速率至2M、1M与500kHz。但是目前的异常波形尽发生在TX空闲阶段,所以未对SD卡的读写功能造成影响。需要支持该现象的可能潜在原因或者排查方向

