Part Number: LM3S615
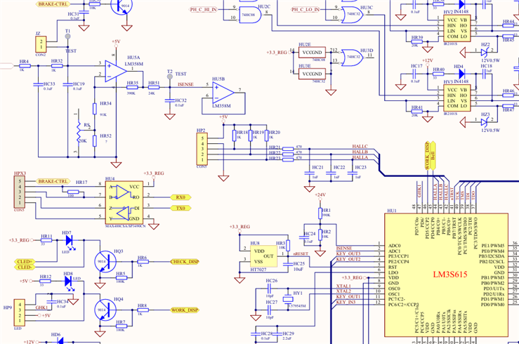
你好,LM3S615-IQN50-C2,这款芯片我们用在驱动无刷电机,已经多年,因年使用的芯片生产年份较远,A/D通道的GPIO损坏较常见,对我们使用有何建议。

麻烦给我们提出指导。
LM3S615这个芯片我们还能够买到最近生产的吗
This thread has been locked.
If you have a related question, please click the "Ask a related question" button in the top right corner. The newly created question will be automatically linked to this question.