Part Number: DRV8718-Q1
Hi Team,
I have a question regarding the DRV8718-Q1.
I've connected an MCU to one DRV8718 chip via SPI. The SPI configuration is: MSB first, 1MHz, CPOL=0, CPHA=1.
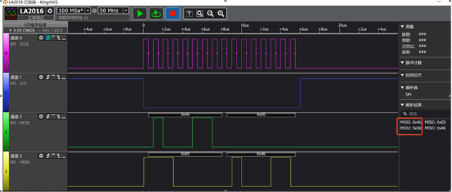
I'm trying to read the DRV8718's status register, but the data from the 8718 appears abnormal. I've specifically measured with an oscilloscope and observed the following data:
- When DRV8718 SDI receives 0x4000, SDO outputs 0xe040
- When DRV8718 SDI receives 0x4500, SDO outputs 0xe045
- When DRV8718 SDI receives 0x4600, SDO outputs 0xe046
The datasheet shows the SDO data format, but my actual test data format is completely inconsistent with the datasheet specifications. What could be causing this situation?



