Other Parts Discussed in Thread: UCC3626, , MCT8316Z, MCT8316A, MCF8316A, DRV8306
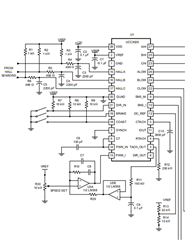
各位专家大家好,我按如下图所示,设计了一个驱动电路,但是芯片始终无PWM输出,不知道是哪里设计存在问题?测试后级开关管电路均正常。
其中,VDD输入电压为12VDC.

This thread has been locked.
If you have a related question, please click the "Ask a related question" button in the top right corner. The newly created question will be automatically linked to this question.
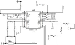
这个原理图很小,你能放大它么?我现在只能参考数据表中的应用原理图。
你能够检查以下的项目吗?
1)VDD是否具有稳定的12V输入?它曾经低于10.5V吗?这是该器件上的欠压锁定,在达到低于欠压阈值的0.5V迟滞之前,它不会使输出工作。
2)你能够确保所有IC引脚都被正确地焊接吗?
3)你能去除所有在 AHI, BHI, CHI, ALOW, BLOW, CLOW上引脚的任何电阻吗?需要有足够的输出电流来切换输出,并且电阻器(串联或下拉)可以限制驱动这些输出高电平所需的电流。

首先十分感谢您百忙之中对该问题进行回复。
针对您提出的几点问题,我做以下解释:
1)目前测试时外接直流稳压电压,可提供稳定的12VDC。我有一个疑问,如您提供的截图UCC3626的设计原理图,是否需要上电后对某些引脚电平进行切换,才能正常输出?
2)我测了芯片上引出的引脚,电平均符合预期设置电压,因此电路焊接正常。
3)我的原理图中,下桥臂PWM输出串入了电阻,上桥臂PWM输出直接接到MOSFET驱动芯片的输入引脚上(输入电流1.8mA,内阻4~7Ω)。如果是因为匹配电阻不合适导致的输出电流不足,上桥臂PWM输出应该正常吧?
另外,您提供的截图UCC3626的设计原理图的配置引脚均采用2引脚的VREF输出5V作为参考电压,这会对芯片输出产生影响吗?请问能提供一些UCC2626的参考电路吗?网上这个芯片的帮助文档真的很少。


我的目标是明天对第1点至第3点进行更详细的答复。但我想提供有关此芯片支持的一些反馈。
另外,您提供的截图UCC3626的设计原理图的配置引脚均采用2引脚的VREF输出5V作为参考电压,这会对芯片输出产生影响吗?请问能提供一些UCC2626的参考电路吗?网上这个芯片的帮助文档真的很少。
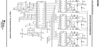
我们没有任何参考电路,因为你是对的,这个芯片非常老旧,几年前从另一个供应商那里买断了。我们有许多更新的集成控制解决方案,支持12V BLDC电机,具体取决于电机功率。
如果您正在寻找梯形或磁场定向控制,并且电机峰值电流小于8A,我们推荐使用 MCT8316Z(Hall-sensored trap)、MCT8316A(sensorless trap)和 MCF8316A(集成 FOC)。这集成了MOSFET的功率,可实现全方位的解决方案。
如果您正在寻找梯形或正弦控制,并且电机峰值电流大于8A,我们建议您使用 DRV8306(Hall-sensored trap)。
我们的DRV10x系列中还有许多集成控制部件,该控制部件形成来自于2015年左右的时间范畴,但仍然比UCC2626更新得多。
您好,如果UCC2626已经停产,风险较高。是否可以采用同封装类型的UCC3626进行原位替换?
因为考虑PCB已经制版,替换测试会更为方便,同时也能验证其他电路问题,或UCC2626芯片的批次性问题。
好吧,有道理。我今天将尝试找到上述3点的结果,但就像您说的那样,此设备没有太多支持或文档。
好的,请再帮我确认一下,在这个电路图中可否用相同封装的UCC3626来替换UCC2626?
通过查看每个 UCC2626 与 UCC3626 器件的 pkg,它们有一些相同的封装形式(DW、PW)

查看他们的数据表,我认为它们有很相似的数据表->主要区别在于温度等级等级。

