This thread has been locked.

If you have a related question, please click the "Ask a related question" button in the top right corner. The newly created question will be automatically linked to this question.

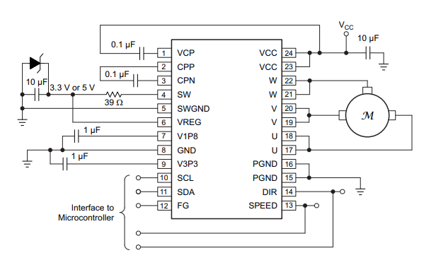
DRV10983: 驱动电压不足

Part Number: DRV10983


我是自己设计的板子, 原理如图,开始用ESP32控制器通过IIc总线进行配置,烧录的时候电压突然掉到1.5V,芯片开始发烫,只好关闭电源,重新启动电源,电压还是上不去为1.5V,电流是1A(我设置最大电流),几秒钟芯片开始发烫,不知道哪里出了问题?谢谢!