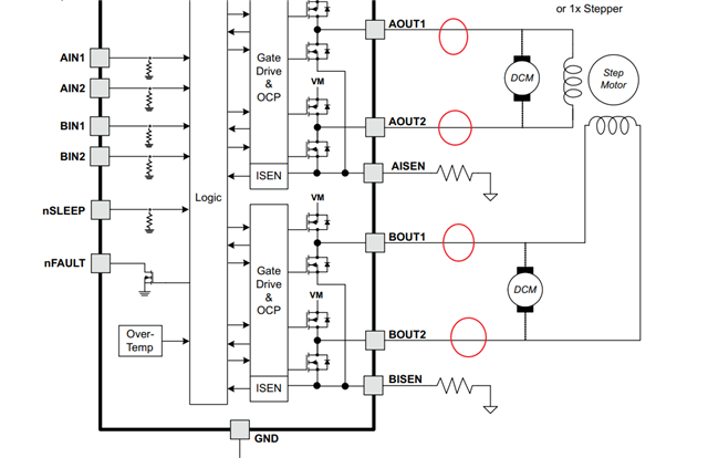
步进电机驱动芯片,比如DRV8833的AOUT1,AOUT2,BOUT1,BOUT2这四个电机信号线,有没有必要每个信号并联一个电容到地,比如并联容值102,22pf等,用来滤除一些杂波,或者优化EMI辐射。
(1)如果没必要,是什么原因?
(2)并联电容,会不会反而坏处?
(3)对于EMI辐射抑制方面,设计上有什么建议。

This thread has been locked.
If you have a related question, please click the "Ask a related question" button in the top right corner. The newly created question will be automatically linked to this question.
步进电机驱动芯片,比如DRV8833的AOUT1,AOUT2,BOUT1,BOUT2这四个电机信号线,有没有必要每个信号并联一个电容到地,比如并联容值102,22pf等,用来滤除一些杂波,或者优化EMI辐射。
(1)如果没必要,是什么原因?
(2)并联电容,会不会反而坏处?
(3)对于EMI辐射抑制方面,设计上有什么建议。
