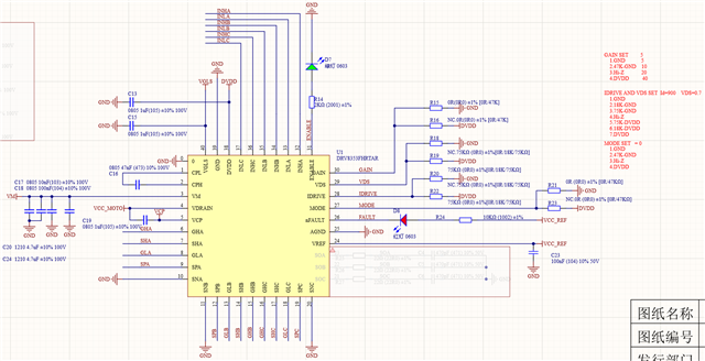
芯片型号:DRV8353FHRTAR,电压48V(当前调试32V),FOC算法:
按照电路模块设计电机预驱模块,但是当ENABLE器件后,6路互补方波给到预驱芯片后,预驱芯片瞬间报Fault,同时预驱芯片瞬间温度急剧上升至损坏。请官方和论坛大神帮忙看看是怎么回事。
图中的MOS型号IPT015N10N5ATMA1,以及更换验证的MOS型号BSC034N06NS,都会出现相同问题。


X 3相 外挂电流检测
This thread has been locked.
If you have a related question, please click the "Ask a related question" button in the top right corner. The newly created question will be automatically linked to this question.
芯片型号:DRV8353FHRTAR,电压48V(当前调试32V),FOC算法:
按照电路模块设计电机预驱模块,但是当ENABLE器件后,6路互补方波给到预驱芯片后,预驱芯片瞬间报Fault,同时预驱芯片瞬间温度急剧上升至损坏。请官方和论坛大神帮忙看看是怎么回事。
图中的MOS型号IPT015N10N5ATMA1,以及更换验证的MOS型号BSC034N06NS,都会出现相同问题。


X 3相 外挂电流检测