This thread has been locked.

If you have a related question, please click the "Ask a related question" button in the top right corner. The newly created question will be automatically linked to this question.

TPS28225能不能用于设计全桥整流器?

Other Parts Discussed in Thread: TPS28225, UCC24610, UCC27200

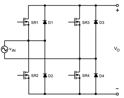
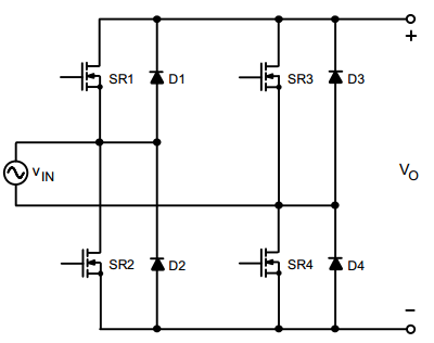
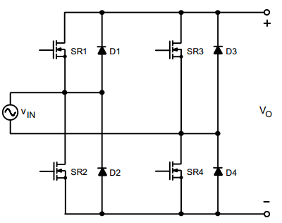
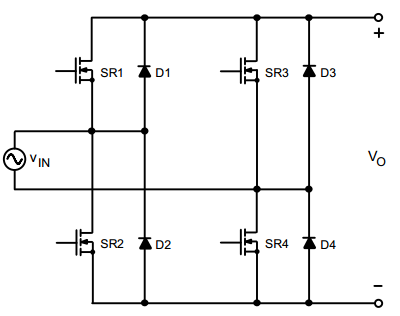
请问TPS28225能不能用于驱动全桥同步整流器,如图,驱动四个MOSFET。或者有没有其他的驱动芯片,要求Vcc供电电压为5V以下。

主要 对于VPHASE的电压范围有疑问?