This thread has been locked.

If you have a related question, please click the "Ask a related question" button in the top right corner. The newly created question will be automatically linked to this question.

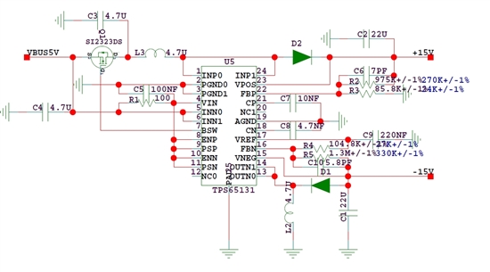
TPS65131负电压输出不受控,一直维持在-20V左右

Other Parts Discussed in Thread: TPS65131

 这边的一个设计用TPS65131产生+/-15V双电压,+15V电压输出正常,而-15V电压则完全不受反馈电阻网络的控制,一直维持在-20V左右的输出,不管怎么调整FBN的分压电阻网络都不起作用。原理图和PCB layout如下:请各位大虾帮忙看看可能是什么原因导致的?谢谢!